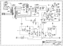
 Connectique et alimentation
 Réception infrarouge et synthèse vocale
 Unité centrale
 Prédiffusé, boîtes à lettres, RAM CPU, ROM Vidéotex
 Contrôleur écran et mémoire vidéo
 MODEM et interface téléphone
 Péritel et interface lecteur de cassette
|

(Référence: 402-00359AAA KPI)
CPU:TI L34003NL-4. CPU:TI PC34900NL-4 SRAM: OKI M2128 (2K x 8 bits ) DRAM: TMS4464-15NL X 2 ROM: Intel D21512 (EPROM 64Ko x 8 bits) EEPROM: 93C46 (1Ko) sur Exeltel. EEPROM 93C56 (2Ko) sur Exeltel VS servant également à stocker le mot de passe. Synthétiseur de parole: TI TMS5220CNL ROM Speech?:TI CM62058NL Récepteur Infrarouge: ITT TEA1009 (amplificateur) UART : Motorola EF38A50 Prédifusé :TI TAHC06 CF34021 Prédifusé:TI TAHC06 CF34033 Modem: TI TCM3105JE
Autres composants embarqués: 74LS00 (4 portes NAND à 2 entrées), 74LS04 (Sextuple
inverseur), 74LS175 (4 bascules D avec Reset), 74LS138
(Décodeur/démultiplexeur), 74LS157 (4 multiplexeurs à 2 entrées),
74LS244 (Porte bufférisée 8 bits 3 états), 74LS245(Transcodeur non
inverseur 8 bits), 74LS373 (Loqueteau 8 bits type D),74LS374 (Bascule
type D 8 bits 3 états), TFK CQY80N (Optocoupleur), Samsung MC4558C
(Ampli Op) |