A la découverte de la carte mère, nous ne pouvons qu'être supris par sa découpe très tourmentée ainsi que par ses dimensions importantes considérant le nombre peu élevé de composants logiques présents: moins d'une trentaine. L'organisation particulièrement pensée de ces derniers permet de comprendre clairement la logique de l'EXL100.
Les cartes mères d'EXL 100:
- Version prototype avancée. Voir
- Version prototype avancée. Voir
- Version de série. Voir
Hélas, il n'existe plus aucune trace de la toute première carte mère d'EXL 100. Les informations en ma possession sont des plus minces: Elle était différente de la carte mère que nous connaissons, ses dimensions étaient très importantes.
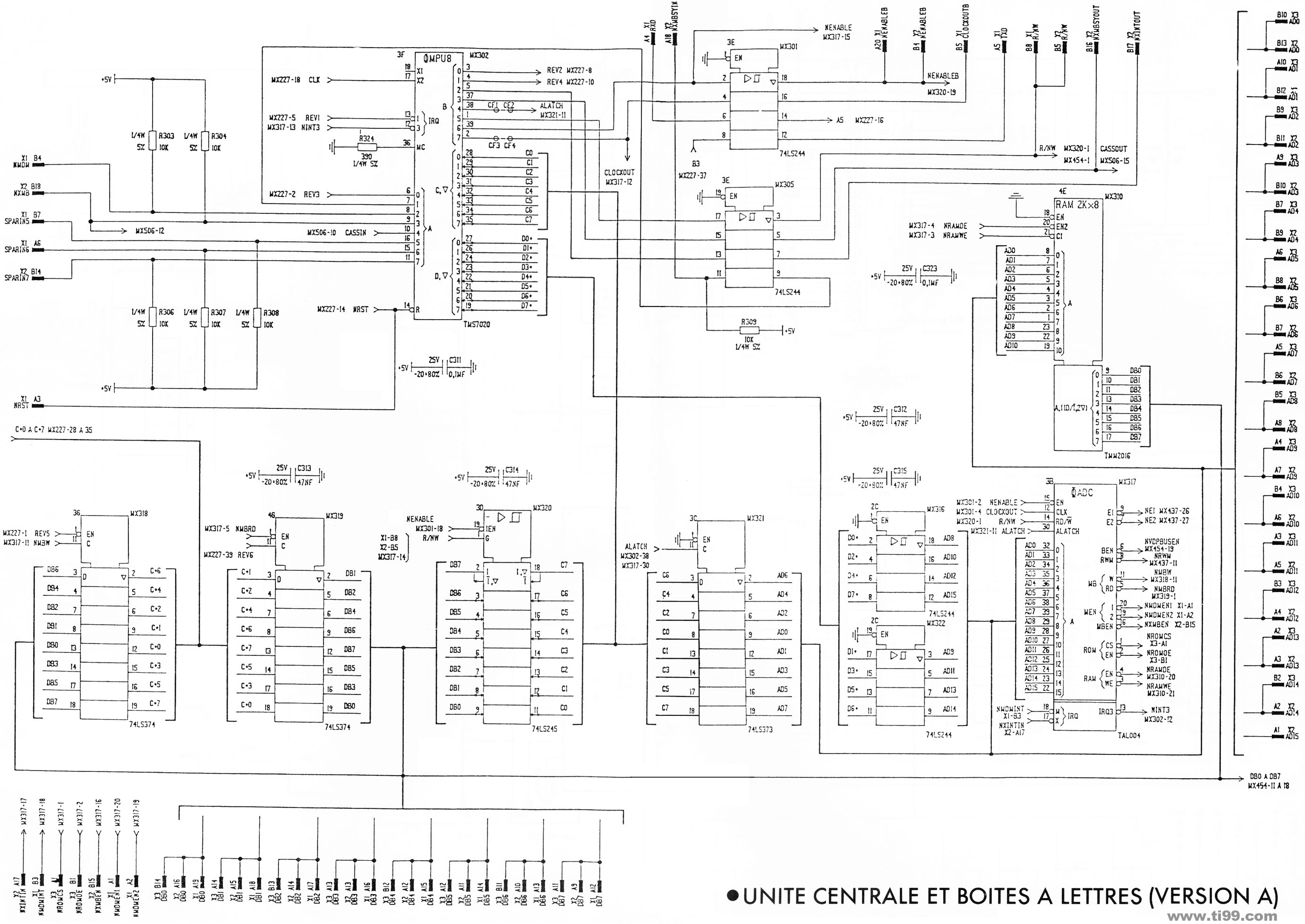
La carte logique en détail
( Si le dessin n'apparait pas sur votre navigateur, cliquez sur la miniature ci-dessus )


Schémas de l'unité centrale EXL100 et du clavier
![]() |
![]() |
![]() |
![]() |
| Unité centrale et boîtes à lettres (versions A) (versions B) |
Connectique et Alimentation | Clavier |
![]() |
![]() |
![]() |
| Schéma simplifié d'EXL100 | Réception IR et Synthèse vocale | Interface lecteur de cassette |
Brochage des composants








